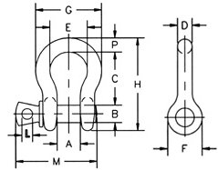
Manille lyre vissée Crosby G209

Les manilles d'ancrage à axe vissé répondent aux exigences de performance de la spécification fédérale RR-C-271G, Type IVA, Grade A, Classe 2, à l'exception des dispositions incombant à l'entrepreneur.
Charge d'épreuve : 2 x CMU (Charge Maximale d'Utilisation).

Voir plus

Référence du produit:

Les manilles d'ancrage à axe vissé répondent aux exigences de performance de la spécification fédérale RR-C-271G, Type IVA, Grade A, Classe 2, à l'exception des dispositions incombant à l'entrepreneur.
Charge d'épreuve : 2 x CMU (Charge Maximale d'Utilisation).

  • Matériau: Acier au carbone avec boulon à tête en acier allié.
  • Marquage: Selon la norme, Marqué CE
  • Plage de température d'utilisation: -40 °C (-40 °F) jusqu'à 204 °C (400 °F)
  • Finition: Gemini a dit Galvanisé à chaud.
  • Norme: EN 13889, US. FED. SPEC. RR-C-271, ASME B30.26, ISO 2415
  • Coefficient de sécurité: 6:1
  • Grade: 6
Télécharger le document